Valoriser les gisements de chaleur fatale, même dans les contextes techniques les plus complexes
Dans certains cas, la chaleur fatale réside dans des fumées que l’on qualifie de « fumées complexes ».
C’est le cas par exemple des fumées issues de l’incinération de déchets, ou bien de la calcination de boues industrielles, issues de recyclage de papier, ou de stations d’épuration.
Afin de pouvoir valoriser la chaleur fatale présente dans ce type de fumées dites « complexes », il faut alors filtrer ces fumées, tout en préservant la thermique afin de ne pas détruire le potentiel de valorisation de chaleur fatale.
Les filtres à manche classiques, généralement utilisés avant rejet de ces fumées dans l’atmosphère, ne supportent pas les hautes températures, leur limite se situant généralement autour de 200 à 250°C.
C’est pour ces raisons que HEVATECH a développé un filtre d’un nouveau genre, basé sur un filtre cyclonique classique, mais offrant 2 caractéristiques uniques:
- Limitation de la perte thermique à 20°C maximum
- Acceptation de températures de fumées jusqu’à 950°C
Ceci permet d’aller chercher des gisements inaccessibles du fait du fort taux de poussières, de silice, ou autres particules, afin de valoriser cette chaleur fatale.
Ce filtre a été développé dans le cadre d’un projet cofinancé par l’ADEME, et peut désormais être décliné sur une large gamme de puissance.


Valoriser les gisements de gaz fatal, également appelés gaz de torchère
Ces gaz de process, générés de façon classique et continue par les raffineries ou les procédés de production de matériaux spéciaux, possèdent un pouvoir énergétique important, mais néanmoins inférieur à celui du gaz naturel ou du propane.
Ils sont généralement détruits par combustion à l’air libre dans des torchères, pour ne pas être rejetés dans l’atmosphère, principalement en raison de leur capacité élevée de contribution au réchauffement climatique, qui est estimée entre 20 et 30 fois plus que celle du CO2.
HEVATECH a développé un savoir-faire de valorisation de ce gaz dit fatal, en produisant de la chaleur à travers une chambre de combustion respectant les derniers standards en termes de qualité de combustion, puis en utilisant la chaleur fatale comme vecteur intermédiaire pour la transformation d’énergie.
Ainsi la chaleur produite à partir de ce gaz fatal sert ensuite à alimenter les machines HEVATECH pour valoriser cette chaleur fatale ainsi générée, sous forme d’électricité et de cogénération.

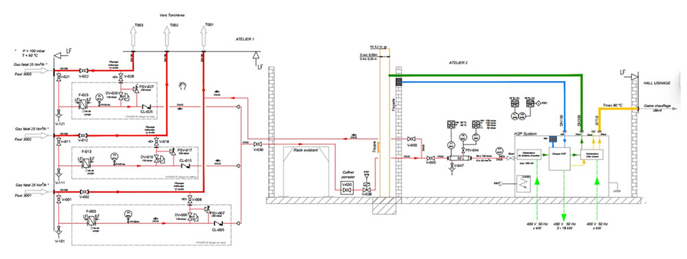
Exemple de torchères chez MERSEN de 3 x 250 kW

Schéma PID de valorisation de gaz de torchère chez MERSEN
sous forme d’électricité et de chauffage de bâtiments
